技术特性
- Usable bandwidth of 400 MHz
- High attenuation
- Single-ended and differential operation
- Ceramic Surface Mount Package (SMP)
- Hermetic
- RoHS compliant (2002/95/EC), lead-free
订购信息 Ordering Information
856445 产品实物图

|
应用领域 APPLICATION
技术指标
| 频率(MHz) |
带宽 (MHz) |
插入损耗 (dB) |
操作模式 |
封装(mm) |
| 208 |
0.4 |
5.9 |
SE/SE |
9.1 x 4.8 |
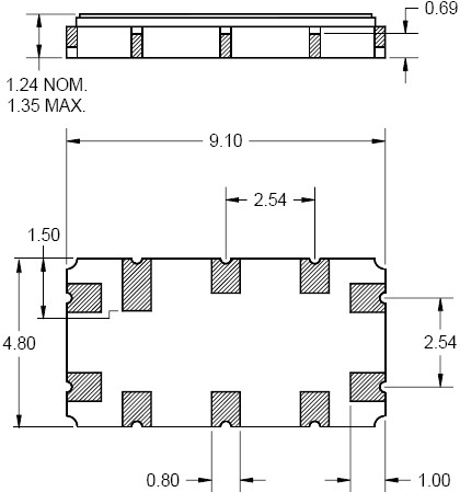
封装外形Package Outline
 |