技术特性
- Usable bandwidth of 7.25 MHz
- Typical 1 dB bandwidth of 9.2 MHz
- High attenuation
- Impedance matching required
- Balanced operation
- Ceramic Surface Mount Package (SMP)
- Hermetic
- RoHS compliant (2002/95/EC), lead-free
订购信息 Ordering Information
856490 产品实物图

|
应用领域 APPLICATION
- Fixed Wireless
- WiBro
- WiMAX
技术指标
| 频率(MHz) |
带宽 (MHz) |
插入损耗 (dB) |
操作模式 |
封装(mm) |
| 380 |
7 |
12 |
BAL, BAL |
7.5 x 5 |
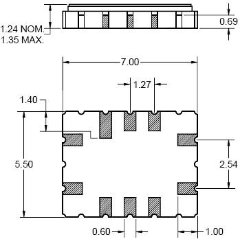
封装外形Package Outline
 |