技术特性
- For WCDMA applications
- Useable bandwidth of 3.84 MHz
- High attenuation
- Balanced operation
- Ceramic Surface Mount Package (SMP)
- Hermetic
- RoHS compliant (2002/95/EC), lead-free
订购信息 Ordering Information
856496 产品实物图

|
技术指标
| 频率(MHz) |
带宽 (MHz) |
插入损耗 (dB) |
操作模式 |
封装(mm) |
| 208 |
3.84 |
11.5 typ |
BAL |
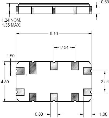
9.1 x 4.8 |
封装外形Package Outline
 |