856517 IF滤波器

The TriQuint 856517 is a high rejection Intermediate Frequency (IF) filter for use in wideband wireless communications systems. The center frequency of this filter is 153.6 MHz and the bandwidth is 32 MHz. The insertion loss is 13 dB maximum and the filter is packaged in a hermetic surface-mounted package.

技术特性
  • Usable bandwidth of 32 MHz
  • High attenuation
  • Impedance matching required
  • Single-ended operation
  • Ceramic Surface Mount Package (SMP)
  • Hermetic
  • RoHS compliant (2002/95/EC), lead-free
订购信息 Ordering Information
856517 产品实物图

856517 产品实物图

应用领域 APPLICATION
  • Transceivers
技术指标
频率(MHz) 带宽 (MHz) 插入损耗 (dB) 操作模式 封装(mm)
153.6 32 13 SE/SE 13.3 x 6.5
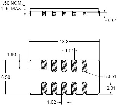
封装外形Package Outline
856517 封装外形
应用技术支持与电子电路设计开发资源下载 版本信息 大小
856517 数据资料DataSheet下载:PDF Rev.V2 2 页