856531 RF 滤波器, PCS
The TriQuint 856531 is a low loss RF filter with a center frequency of 1960 MHz and a bandwidth of 60 MHz. The insertion loss is 2.25 dB and the filter is provided in a small surface mount hermetic package.
技术特性
- Usable bandwidth of 60 MHz
- High attenuation
- No impedance matching required for operation at 50 Ohm
- Single-ended operation
- Ceramic Surface Mount Package (SMP)
- Hermetic
- RoHS compliant (2002/95/EC), lead-free
订购信息 Ordering Information
856531 产品实物图

|
应用领域 APPLICATION
- Transceivers
- Coverage Enhancement Repeaters
- Tower Mounted Amplifiers
技术指标
| 频率(MHz) |
带宽 (MHz) |
插入损耗 (dB) |
操作模式 |
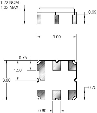
封装(mm) |
| 1960 |
60 |
2.25 |
SE/SE |
3.0 x 3.0 |
封装外形Package Outline
 |