856534 与SMI WiMAX 工作芯片组

技术特性
  • Usable bandwidth of 5 MHz
  • High attenuation
  • No impedance matching required for operation at 50 Ohm
  • Single-ended operation
  • Ceramic Surface Mount Package (SMP)
  • Hermetic
  • RoHS compliant (2002/95/EC), lead-free
订购信息 Ordering Information
856534 产品实物图

856534 产品实物图

应用领域 APPLICATION
  • WiMAX
技术指标
频率(MHz) 带宽 (MHz) 插入损耗 (dB) 操作模式 封装(mm)
810 5 6 SE 3 x 3
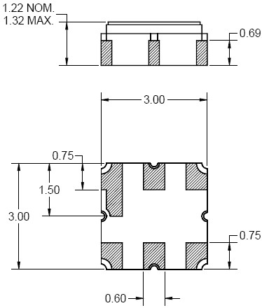
封装外形Package Outline
856534 封装外形
应用技术支持与电子电路设计开发资源下载 版本信息 大小
856534:S 参数Narrow Unmatched    
856534:S 参数Wide Unmatched    
856534 数据资料DataSheet下载:PDF Rev.V2 2 页