技术特性
- Usable bandwidth of 83.5 MHz
- Low loss
- Low profile
- High attenuation
- Single-ended operation
- Excellent selectivity and stop band rejection
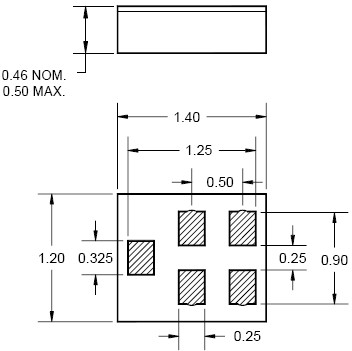
- Ceramic Chip Scale Package (CSP)
- Hermetic
- RoHS compliant (2002/95/EC), lead-free
技术指标
| 频率(MHz) |
带宽 (MHz) |
插入损耗 (dB) |
操作模式 |
封装(mm) |
| 2441 |
83.5 |
- |
SE/SE |
1.2 x 1.4 |
856539 产品实物图

|
应用领域 APPLICATION
订购信息 Ordering Information
封装外形Package Outline
 |