技术特性
- Usable bandwidth of 2 MHz
- Compatible with leading chipset suppliers
- Low loss
- Single-ended operation
- Ceramic Chip Scale Package (CSP)
- Hermetic
- Suitable for automotive applications
- Compliant with the AEC-Q200 reliability standard
- Manufacturing facilities are certified with ISO/TS 16949:2002
- RoHS compliant (2002/95/EC), lead-free
技术指标
| 频率(MHz) |
带宽 (MHz) |
插入损耗 (dB) |
操作模式 |
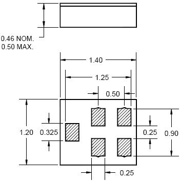
封装(mm) |
| 1575.42 |
2.0 |
0.75 |
SE/SE |
1.4 x 1.2 |
856561 产品实物图

|
应用领域 APPLICATION
订购信息 Ordering Information
封装外形Package Outline
 |