856576 GPS滤波器;SE/BAL

技术特性
  • Usable bandwidth of 2 MHz
  • Compatible with leading chipset suppliers
  • Low loss
  • Single-ended input, 50 Ohm
  • Balanced output, 100 Ohm
  • Ceramic Chip Scale Package (CSP)
  • Hermetic
  • RoHS compliant (2002/95/EC), lead-free
技术指标
频率(MHz) 带宽 (MHz) 插入损耗 (dB) 操作模式 封装(mm)
1575.42 2.0 1.1 SE/BAL 1.4 x 1.2
856576 产品实物图

856576 产品实物图

应用领域 APPLICATION
  • GPS
订购信息 Ordering Information
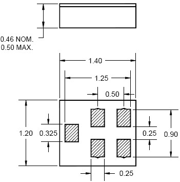
封装外形Package Outline
856576 封装外形
应用技术支持与电子电路设计开发资源下载 版本信息 大小
856576:S 参数Balanced    
856576:S 参数Narrow Unmatched    
856576:S 参数Narrow Unmatched    
856576:S 参数Wide Unmatched    
856576:S 参数Wide Unmatched    
856576 数据资料DataSheet下载:PDF Rev.V2 2 页