技术特性
- Usable bandwidth of 3.15 MHz
- Low Loss
- High attenuation
- Impedance matching required
- Balanced operation
- Ceramic Surface Mount Package (SMP)
- Hermetic
- RoHS compliant (2002/95/EC), lead-free
订购信息 Ordering Information
856623 产品实物图

|
应用领域 APPLICATION
技术指标
| 频率(MHz) |
带宽 (MHz) |
插入损耗 (dB) |
操作模式 |
封装(mm) |
| 464 |
3.15 |
10.6 |
BAL / BAL |
7 x 5.5 |
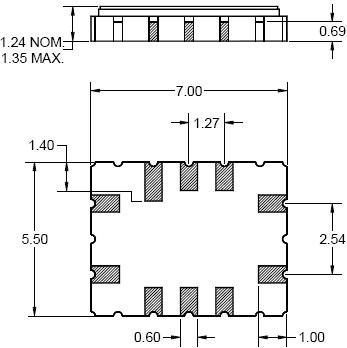
封装外形Package Outline
 |