856649 SAW延迟线

The TriQuint 856649 is a delay line filter designed as an extremely wideband device with a center frequency of 2140 MHz and a useful bandwidth of 100 MHz. This filter is used for time-alignment of RF signals, and provides an absolute delay of 450 nanoseconds. The insertion loss of this device is 29 dB and it is packaged in a hermetic surface mount package.

技术特性
  • Usable bandwidth of 100 MHz
  • Absolute delay of 450ns
  • Low group delay variation
  • Ceramic Surface Mount Package (SMP)
  • Hermetic
  • RoHS compliant (2002/95/EC), lead-free
订购信息 Ordering Information
856649 产品实物图

856649 产品实物图

应用领域 APPLICATION
  • RF Signal Alignment
  • Power Amplifiers
技术指标
频率(MHz) 带宽 (MHz) 插入损耗 (dB) 操作模式 封装(mm)
2140 100 29.0 max SE/BAL 7.0 x 5.5
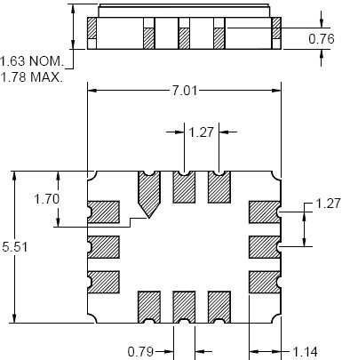
封装外形Package Outline
856649 封装外形
应用技术支持与电子电路设计开发资源下载 版本信息 大小
856649 数据资料DataSheet下载:PDF Rev.V2 2 页