技术特性
- Usable bandwidth of 10 MHz
- Low loss
- Balanced operation
- Ceramic Surface Mount Package (SMP)
- Hermetic
- RoHS compliant (2002/95/EC), lead-free
订购信息 Ordering Information
856652 产品实物图

|
应用领域 APPLICATION
技术指标
| 频率(MHz) |
带宽 (MHz) |
插入损耗 (dB) |
操作模式 |
封装(mm) |
| 398 |
10 |
8.7 |
Balanced |
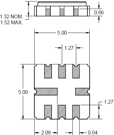
5 x 5 x 1.32 |
封装外形Package Outline
 |