856656 低损耗IF滤波器

The TriQuint 856656 is a high rejection Intermediate Frequency (IF) filter for use in wideband wireless communications systems. The center frequency of this filter is 140 MHz and the bandwidth is 10 MHz. The insertion loss is 11 dB maximum and the filter is packaged in a hermetic surface-mounted package.

技术特性
  • Usable bandwidth of 10 MHz
  • Low loss
  • High attenuation
  • Designed to minimize EVM
  • Single-ended operation
  • Ceramic Surface Mount Package (SMP)
  • Hermetic
  • RoHS compliant (2002/95/EC), lead-free
订购信息 Ordering Information
  • 856656
856656 产品实物图

856656 产品实物图

应用领域 APPLICATION
  • Transceivers
技术指标
频率(MHz) 带宽 (MHz) 插入损耗 (dB) 操作模式 封装(mm)
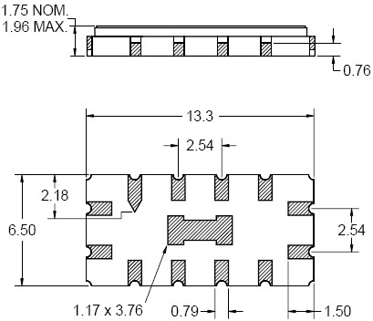
140 10 11 SE/SE 13.3 x 6.5
封装外形Package Outline
856656 封装外形
应用技术支持与电子电路设计开发资源下载 版本信息 大小
856656 数据资料DataSheet下载:PDF Rev.V2 2 页