技术特性
- Usable bandwidth of 60 MHz
- Low loss
- High attenuation
- Single-ended operation at 50 Ohm
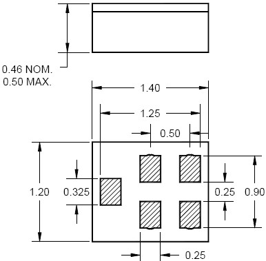
- Chip Scale Package (CSP)
- Hermetic
- RoHS compliant (2002/95/EC), lead-free
技术指标
| 频率(MHz) |
带宽 (MHz) |
插入损耗 (dB) |
操作模式 |
封装(mm) |
| Band 1 - 1950 |
Various |
2.7 dB |
SE / SE |
1.4 x 1.2 |
856661 产品实物图

|
应用领域 APPLICATION
订购信息 Ordering Information
封装外形Package Outline
 |