技术特性
- Useable bandwidth of 10.5 MHz
- High attenuation
- Impedance matching required
- Balanced operation
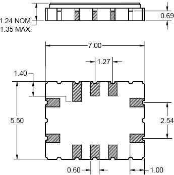
- Ceramic Surface Mount Package (SMP)
- Hermetic
- RoHS compliant (2002/95/EC), lead-free
订购信息 Ordering Information
856665 产品实物图

|
技术指标
| 频率(MHz) |
带宽 (MHz) |
插入损耗 (dB) |
操作模式 |
封装(mm) |
| 580 |
10 |
13 |
BAL, BAL |
7 x 5.5 |
封装外形Package Outline
 |