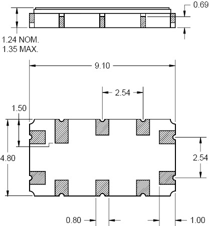
The TriQuint 856683 is a high rejection Intermediate Frequency (IF) filter for use in wideband wireless communications systems. The center frequency of this filter is 167 MHz and the bandwidth is 5 MHz. The insertion loss is 8 dB maximum and the filter is packaged in a hermetic surface-mounted package.
| 应用技术支持与电子电路设计开发资源下载 | 版本信息 | 大小 |
| 856683 数据资料DataSheet下载:PDF | Rev.V2 | 2 页 |