技术特性
- Usable bandwidth of 4.375 MHz
- Low loss
- Single ended operation (50 Ohm)
- Ceramic Surface Mount Package (SMP)
- Hermetic
- RoHS compliant (2002/95/EC), lead-free
技术指标
| 频率(MHz) |
带宽 (MHz) |
插入损耗 (dB) |
操作模式 |
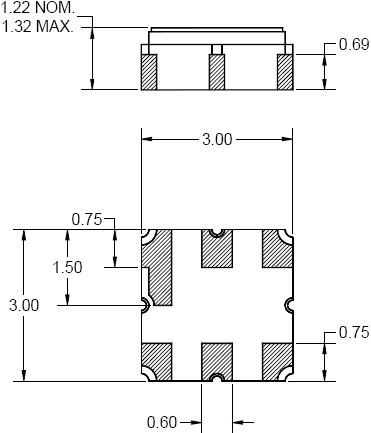
封装(mm) |
| 915 |
4.375 |
2.4 |
Single-Ended |
3 x 3 x 1.22 |
订购信息 Ordering Information
856686 产品实物图

|
应用领域 APPLICATION
- Standard ISM Band and Remote Control
封装外形Package Outline
 |