技术特性
- Usable bandwidth of 19 MHz
- Low loss
- High attenuation
- Balanced operation
- Ceramic Surface Mount Package (SMP)
- Hermetic
- RoHS compliant (2002/95/EC), lead-free
订购信息 Ordering Information
856687 产品实物图

|
技术指标
| 频率(MHz) |
带宽 (MHz) |
插入损耗 (dB) |
操作模式 |
封装(mm) |
| 456 |
19 |
12.5 max |
SE / BAL |
7.0 x 5.5 |
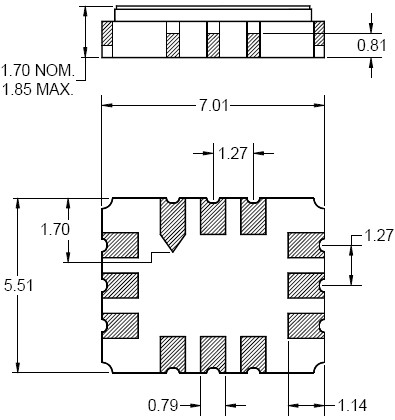
封装外形Package Outline
 |