技术特性
- Usable bandwidth of 10 MHz
- Typical bandwidth of 18.5 MHz
- Low loss
- Single-ended operation
- Ceramic Surface Mount Package (SMP)
- Hermetic
- RoHS compliant (2002/95/EC), lead-free
订购信息 Ordering Information
856690 产品实物图

|
应用领域 APPLICATION
技术指标
| 频率(MHz) |
带宽 (MHz) |
插入损耗 (dB) |
操作模式 |
封装(mm) |
| 756 |
10 |
1.9 |
SE / SE |
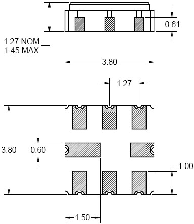
3.8 x 3.8 |
封装外形Package Outline
 |