技术特性
- Usable bandwidth of 6 MHz
- Low loss
- High attenuation
- Balanced operation
- Ceramic Surface Mount Package (SMP)
- Hermetic
- RoHS compliant (2002/95/EC), lead-free
技术指标
| 频率(MHz) |
带宽 (MHz) |
插入损耗 (dB) |
操作模式 |
封装(mm) |
| 140 |
6 |
14.0 max |
BAL |
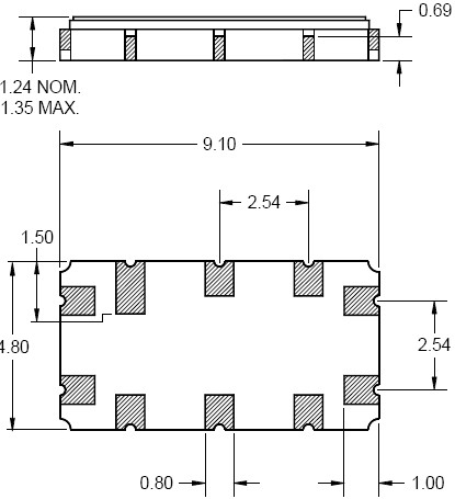
9.1 x 4.8 |
订购信息 Ordering Information
856693 产品实物图

|
应用领域 APPLICATION
封装外形Package Outline
 |