技术特性
- Usable bandwidth of 60 MHz
- Low loss
- High attenuation
- No impedance matching required for operation at 50 Ohm
- Single-ended operation
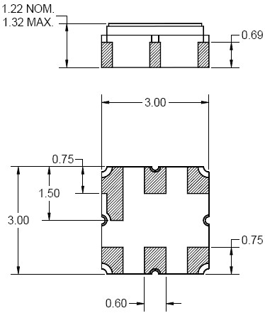
- Ceramic Surface Mount Package (SMP)
- Hermetic
- RoHS compliant (2002/95/EC), lead-free
技术指标
| 频率(MHz) |
带宽 (MHz) |
插入损耗 (dB) |
操作模式 |
封装(mm) |
| 1880 |
60 |
2.2 typ |
SE |
3.0 x 3.0 |
856705 产品实物图

|
订购信息 Ordering Information
封装外形Package Outline
 |