856727 IF 滤波器

The TriQuint 856727 is a high rejection Intermediate Frequency (IF) filter for use in very wideband wireless communications systems. The center frequency of this filter is 144 MHz and the bandwidth is 75 MHz. The insertion loss is 21.2 dB maximum and the filter is packaged in a hermetic surface-mounted package.

技术特性
  • Usable 1.5 dB bandwidth of 75 MHz
  • High attenuation
  • Single-ended operation
  • Ceramic Surface Mount Package (SMP)
  • Small size
  • Hermetic
  • RoHS compliant (2002/95/EC), lead-free
技术指标
频率(MHz) 带宽 (MHz) 插入损耗 (dB) 操作模式 封装(mm)
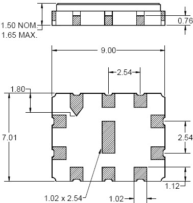
144 75 21.2 SE / SE 9.0 x 7.0
856727 产品实物图

856727 产品实物图

应用领域 APPLICATION
  • Transceivers
订购信息 Ordering Information
  • 856727
封装外形Package Outline
856727 封装外形
应用技术支持与电子电路设计开发资源下载 版本信息 大小
856727 数据资料DataSheet下载:PDF Rev.V2 2 页