技术特性
- Usable bandwidth of 2.4 MHz
- Single-ended operation
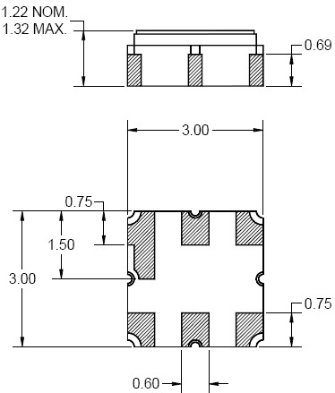
- Ceramic chip-scale Package (CSP)
- Small size
- Hermetic
- RoHS compliant (2002/95/EC), lead-free
技术指标
| 频率(MHz) |
带宽 (MHz) |
插入损耗 (dB) |
操作模式 |
封装(mm) |
| 781.5 |
11 |
1.5 typ. |
SE/SE |
3.0 x 3.0 |
856764 产品实物图

|
订购信息 Ordering Information
封装外形Package Outline
 |