856793 GPS 滤波器; SE/SE

技术特性
  • Ultra-low loss
  • Single-ended operation
  • Small size
  • Usable bandwidth of 2.4 MHz
  • Ceramic chip-scale Package (CSP)
  • Hermetic
  • RoHS compliant (2002/95/EC), lead-free
订购信息 Ordering Information
856793 产品实物图

856793 产品实物图

技术指标
频率(MHz) 带宽 (MHz) 插入损耗 (dB) 操作模式 封装(mm)
1575.42 2 0.6 SE / SE 1.4 x 1.2
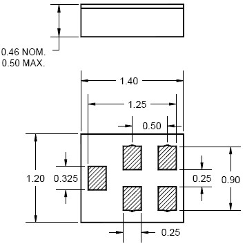
封装外形Package Outline
856793 封装外形
应用技术支持与电子电路设计开发资源下载 版本信息 大小
856793 数据资料DataSheet下载:PDF Rev.V2 2 页