技术特性
- Usable 1 dB bandwidth of 20 MHz
- Small size
- Low loss
- Single-ended operation at 50 Ohm
- Single-ended input / balanced output at 200 Ohm
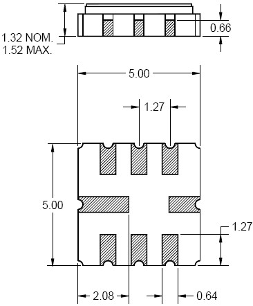
- Ceramic Surface Mount Package (SMP)
- Hermetic
- RoHS compliant (2002/95/EC), lead-free
订购信息 Ordering Information
856802 产品实物图

|
应用领域 APPLICATION
技术指标
| 频率(MHz) |
带宽 (MHz) |
插入损耗 (dB) |
操作模式 |
封装(mm) |
| 172.8 |
20 |
9.0 max |
SE/BAL |
5 x 5 |
封装外形Package Outline
 |