技术特性
- Usable bandwidth of 20 MHz
- Low insertion loss
- High attenuation
- Single-ended operation
- No external matching required for operation at 50 Ohm
- Small size
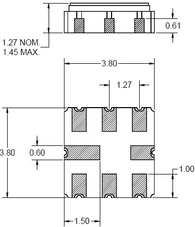
- Ceramic Surface Mount Package (SMP)
- Hermetic
- RoHS compliant (2002/95/EC), lead-free
订购信息 Ordering Information
856866 产品实物图

|
应用领域 APPLICATION
技术指标
| 频率(MHz) |
带宽 (MHz) |
插入损耗 (dB) |
操作模式 |
封装(mm) |
| 756 |
20 |
0.9 |
SE / SE |
3.8 x 3.8 |
封装外形Package Outline
 |