技术特性
- Usable 1.0 dB bandwidth of 18.4 MHz
- Low loss
- High attenuation
- Single-ended operation, 50 Ohm
- Small package
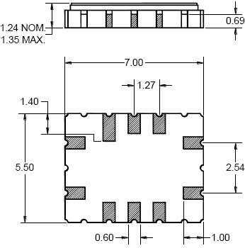
- Ceramic Surface Mount Package (SMP)
- Hermetic
- RoHS compliant (2002/95/EC), lead-free
订购信息 Ordering Information
856929 产品实物图

|
应用领域 APPLICATION
技术指标
| 频率(MHz) |
带宽 (MHz) |
插入损耗 (dB) |
操作模式 |
封装(mm) |
| 140 |
18.4 |
10.25 max |
SE |
7 x 5.5 |
封装外形Package Outline
 |