AH314-G 2 W 线性放大器
The TriQuint AH314-G is a high dynamic range broadband driver amplifier in a surface mount package. The two-stage amplifier has 23 dB of gain, while achieving +25dBm of linear output power for 2.3 to 2.9 GHz applications. The AH314-G uses a high reliability +5V InGaP / GaAs HBT process technology. The device incorporates proprietary bias circuitry to compensate for variations in linearity and current draw over temperature. An internal active bias allows the AH314-G to operate directly off a commonly available +5V supply. The RoHS-compliant / lead-free 5x5mm QFN package is surface mountable to allow for low manufacturing costs to the end user. The AH314-G is also package and pin compatible with the 3.3 - 3.8 GHz AH315-G and the 0.7 - 2.7 GHz AH323-G. The AH314-G is targeted for use in a configuration for the driver stage amplifier in next generation base stations where high linearity and medium power is required.
技术特性
- 2.3 to 2.9 GHz
- 23 dB Gain
- EVM < 2.5% @ 25 dBm Pout
- < 0.2 dB gain flatness across 200 MHz BW
- +33 dBm P1dB
- Internal active bias
- +5V single supply voltage
- Lead-free / RoHS compliant
- 5x5 mm QFN package
技术指标
| 频率(GHz) |
增益(dB) |
P1dB (dBm) |
OIP3 (dBm) |
NF (dB) |
Vdd (V) |
Idd (mA) |
封装信息 |
| 2.3 - 2.9 |
23 |
33 |
42 |
6.4 |
5 |
600 |
5 x 5 mm |
订购信息 Ordering Information
| AH314-G |
2.3-2.9 GHz 2W 5V Linear Driver Amplifier |
| AH314-PCB |
2.5-2.7 GHz Evaluation Board |
|
应用领域 APPLICATION
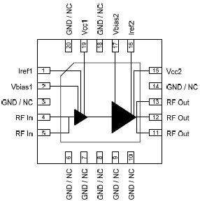
功能框图 Functional Block Diagram

|