AH323-G 2W 二级线性放大器

The TriQuint AH323-G is a high dynamic range two-stage driver amplifier in a low-cost surface-mount package. The amplifier is able to achieve high performance across abroad range of frequencies with +50 dBm OIP3 and +33 dBm P1dB while only consuming 680 mA current. The InGaP / GaAs HBT integrates two high performance amplifier stages onto a MMIC to allow for a more compact system design. The integrated interstage match minimizes performance variation that would otherwise be attributed to external matching component value and placement tolerances. The AH323-G is available in a standard lead-free / green / RoHS-compliant 20-pin 5x5mm QFN package. All devices are 100% RF and DC tested. The AH323-G is targeted for use as a driver amplifier in wireless infrastructure where high linearity, medium power and high efficiency are required. This driver amplifier is able to deliver high power while maintaining superior ACLR performance. The integrated active bias circuitry in the device enables excellent linearity performance over temperature with little variance. The AH323-G is footprint compatible with other TriQuint 2 Watt devices such as the AH314-G for 2.3 - 2.9 GHz applications and the AH315-G for 3.3 - 3.8GHz applications.

技术特性
  • 700 to 2700 MHz
  • 27.2 dB gain @ 2.14 GHz
  • +33 dBm P1dB
  • High linearity: +50 dBm OIP3
  • 24 dBm Output Power @ -50 dBc WCDMA ACLR
  • Integrated interstage matching
  • Excellent return loss (>14 dB at I/O)
  • +5V supply voltage
  • MTTF > 1000 years
应用领域 APPLICATION
  • 3G / 4G Wireless Infrastructure
  • Femtocells
  • High Power Amplifiers
  • LTE / WCDMA / EDGE / CDMA
  • Repeaters
订购信息 Ordering Information
Part No.     Description
AH323-G  2W 5V 2-stage Amplifier
AH323-PCB2140  2140 MHz Evaluation Board
技术指标
频率(GHz) 增益(dB) P1dB (dBm) OIP3 (dBm) NF (dB) Vdd (V) Idd (mA) 封装信息
0.7 - 2.7 27 33 50 4.2 5 680 5 x 5 mm
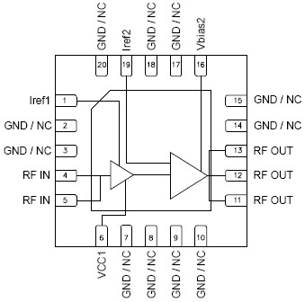
功能框图 Functional Block Diagram

AH323-G 功能框图

应用技术支持与电子电路设计开发资源下载 版本信息 大小
AH323-G:S-参数    
封装信息:pdf    
材料清单 - AH323-PCB2140 :pdf    
AH323-G布局文件    
AH323-G 数据资料DataSheet下载:pdf Rev.V2 2 页