CV210-3AF集成LO, RF, IF放大器的双支路下变频器
The TriQuint CV210-3AF is a dual-channel high-linearity down converter designed to meet the demanding performance, functionality and cost goals of current and next generation mobile infrastructure basestations. It provides high dynamic range performance in a low profile lead-free / RoHS-compliant surface-mount leadless package that measures 6x6 mm square. It is ideally suited for high dynamic range receiver front ends using diversity receive channels. Functionality includes frequency conversion and IF amplification, while an integrated LO driver amplifier powers the passive mixer. The MCM is implemented with reliable and mature GaAs MESFET and InGaP HBT technology. Typical applications include frequency down conversion used in CDMA / GSM / TDMA, CDMA2000, W-CDMA, and EDGE 2.5G and 3G mobile base transceiver stations.
技术特性
- High dynamic range downconverter with integrated LO and IF amplifiers
- Dual channels for diversity
- +29 dBm Input IP3
- +10 dBm Input P1dB
- RF: 800 to 960 MHz
- IF: 200 to 350 MHz
- +5V Single supply operation
- Lead-free 6 mm 28-pin QFN package
- High-side LO configuration
- Common footprint with other PCS / UMTS / cellular versions
技术指标
| RF(GHz) |
IF(GHz) |
LO(GHz) |
转换增益(dB) |
输出 IP3 (dBm) |
输出P1dB (dBm) |
NF (dB) |
偏压 (V) |
电流 (mA) |
封装规格 |
| 0.8 - 0.96 |
0.2 - 0.35 |
1 - 1.31 |
10.3 |
29 |
10 |
10.3 |
5 |
390 |
6x6 mm QFN28 |
|
应用领域 APPLICATION
订购信息 Ordering Information
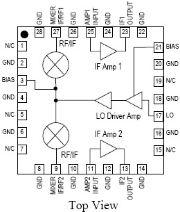
功能框图 Functional Block Diagram

|