FP31QF-F 2 W GaAs HFET
The TriQuint FP31QF-F is a high performance 2 Watt HFET (Heterostructure FET) in a low-cost lead-free / RoHS-compliant 28-pin 6x6 mm QFN (Quad Flatpack, No-Lead) surface-mount package. This device works optimally at a drain bias of +9 V and 450 mA to achieve +46 dBm output IP3 performance and an output power of +34 dBm at 1 dB compression. The device conforms to TriQuint's long history of producing high reliability and quality components. The FP31QF-F has an associated MTTF of a minimum of 100 years at a mounting temperature of 85°C. All devices are 100% RF and DC tested. The product is targeted for use as driver amplifiers for wireless infrastructure where high performance and high efficiency are required.
技术特性
- 50 to 4000 MHz
- 18 dB gain @ 900 MHz
- +34 dBm P1dB
- +46 dBm Output IP3
- High drain efficiency
- Single voltage supply
- Robust 1000V ESD, Class IC
- Lead free / green / RoHS compliant
- 6 mm 28-pin QFN package
应用领域 APPLICATION
- CATV / DBS
- Defense / Homeland Security
- Fixed Wireless
- Industrial, Scientific and Medical (ISM)
- Mobile Infrastructure
- RFID
- Wireless LAN (WLAN)
|
技术指标
| 频率(GHz) |
增益(dB) |
P1dB (dBm) |
OIP3 (dBm) |
NF/PAE |
Vdd (V) |
Idd (mA) |
封装 |
| 0.05 - 4 |
18 |
34 |
46 |
3.5 |
9 |
450 |
6 x 6 mm |
订购信息 Ordering Information
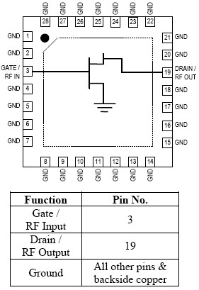
功能框图 Functional Block Diagram

|