TAT2801 75 欧姆放大器, 40-1002 MHz, 12V
The TAT2801 is an ultra-linear, packaged GaAs MMIC amplifier, intended for output stage amplification in CATV infrastructure applications including those supporting DOCSIS 3.0 Edge QAM and CMTS. The TAT2801 features a single die design, and provides flat gain along with low distortion, making it ideal for use in CATV distribution systems, requiring high output powers and low distortion. The TAT2801 draws 575 mA from a 12 V supply, while allowing users to adjust the bias current and the bias voltage externally in order to optimize output performance. The TAT2801 integrates two TQP200002 ESD protection dies, which deliver bi-directional protection with very low leakage currents and extremely low capacitance. The TAT2801 is packaged in an industry standard 16 pin SOIC WB package.
技术特性
- Wide bandwidth (40 MHz – 1 GHz)
- 100% production tested for DOCSIS Edge QAM
- In-package ESD protection
- Flat gain
- High power compression
- Excellent Input/Output match
- Low DC power consumption
- Bias optimization through external voltage
订购信息 Ordering Information
| TAT2801 |
Docsis 3.0 Edge QAM CATVOutput Stage Amplifier |
| TAT2801-PCB |
Docsis 3.0 Edge QAM CATVOutput Stage Amplifier Evaluation Board |
TAT2801 产品实物图

|
应用领域 APPLICATION
- Infrastructure Amplifier
- DOCSIS Edge QAM
技术指标
| 频率 |
功率(nom) |
增益 |
失真 |
噪声系数 |
回波损耗 |
应用 |
| 40 - 1,002 |
12V, 575 mA |
12 |
DOCSIS RF Interface Compliant @ +9dB RF out |
- |
20 |
EdgeQAM, CMTS, Docsis 3.0, Power Doubler |
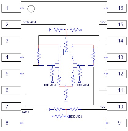
功能框图 Functional Block Diagram

|