TGA1073C-SCC Ka 波段中等功率放大器

The TriQuint TGA1073C-SCC is a two stage PA MMIC design using TriQuint’s proven 0.25 mm Power pHEMT process to support a variety of millimeter wave applications including point-to-point digital radio and point-to-multipoint systems. The two-stage design consists of two 400 mm input devices driving four 400 mm output devices. The TGA1073C provides 24 dBm of output power at 1dB gain compression and 26 dBm saturated output power across the 36-40 GHz with a typical small signal gain of 15 dB. The TGA1073C requires a minimum of off-chip components. Each device is 100% DC and RF tested on-wafer to ensure performance compliance. The device is available in chip form.

技术特性
  • 0.25um pHEMT Technology
  • 36-40 GHz Frequency Range
  • 26 dBm Nominal Pout @ P1dB, 38GHz
  • 15 dB Nominal Gain
  • Bias 5-7V @ 240 mA
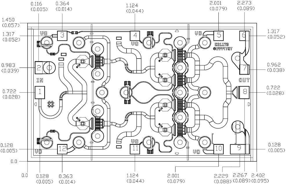
  • Chip Dimensions 2.4 mm x 1.45 mm
应用领域 APPLICATION
  • Point-to-Point Radio
  • Point-to-Multipoint Radio
订购信息 Ordering Information
  • TGA1073C-SCC
技术指标
频率(GHz) 功率(dBm) 增益(dB) NF/PAE +V IQ(mA)
36-40 26 15 - 5-7 240
机械特性Mechanical Characteristics
TGA1073C-SCC 机械特性
应用技术支持与电子电路设计开发资源下载 版本信息 大小
TGA1073C-SCC:S 参数    
TGA1073C-SCC 数据资料DataSheet下载:PDF Rev.V2 2 页