TGA1135B-SCC Ka 波段中等功率放大器

The TriQuint TGA1135B-SCC is a three stage MPA MMIC design using TriQuint’s proven 0.25 um Power pHEMT process. The TGA1135B-SCC is designed to support a variety of millimeter wave applications including point-to-point digital radio and point-to-multipoint communications. The three stage design consists of a 200 um input device driving a 480um interstage device followed by an 800um output device. The TGA1135B-SCC provides 25dBm nominal output power at 1dB compression across 19-27GHz. Typical small signal gain is 22 dB. The TGA1135B-SCC requires minimum off-chip components. Each device is 100% DC and RF tested on-wafer to ensure performance compliance. The device is available in chip form.

技术特性
  • 0.25 um pHEMT Technology
  • 22 dB Nominal Gain
  • 25 dBm Nominal Pout @ P1dB
  • Bias 5-7V @ 220 mA
  • Chip Dimensions 2.55 mm x 1.15mm
应用领域 APPLICATION
  • Point-to-Point Radio
  • Point-to-Multipoint Communications
订购信息 Ordering Information
  • TGA1135B-SCC
技术指标
频率(GHz) 功率(dBm) 增益(dB) NF/PAE +V IQ(mA)
19 - 27 25 22 - 5-7 220
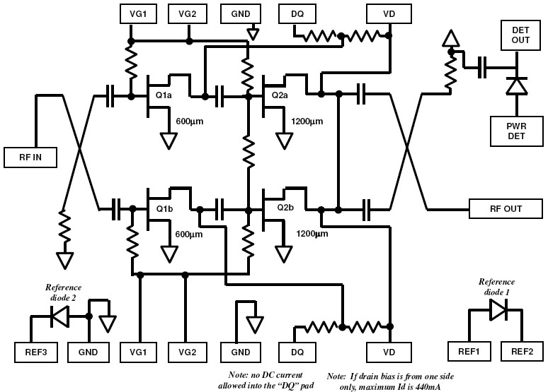
电路原理图Schematic
TGA1135B-SCC 电路原理图
应用技术支持与电子电路设计开发资源下载 版本信息 大小
TGA1135B-SCC:S 参数    
TGA1135B-SCC 数据资料DataSheet下载:PDF Rev.V2 2 页