TGA1171-SCC Ka 波段高功率放大器

The TriQuint TGA1171-SCC is a two-stage PA MMIC design using TriQuint's proven 0.25 mm power pHEMT process to support a variety of millimeter wave applications including point-to-point digital radio and point-to-multipoint systems. The balanced design consists of four 400 um input devices driving eight 400 um output devices. The TGA1171-SCC provides 29 dBm of output power at 1 dB gain compression and greater than 30 dBm saturated output power across 36 - 40 GHz with a typical small signal gain of 14 dB. Typical input / output return loss is typically greater than 12-15 dB across the band. The TGA1171-SCC requires minimal off-chip components. Each device is 100% DC and RF tested on-wafer to ensure performance compliance. The device is available in chip form.

技术特性
  • 0.25 um pHEMT technology
  • 36 to 40 GHz frequency range
  • 29 dBm nominal Pout @ P1dB, 38 GHz
  • 14 dB nominal gain
  • OTOI 36 dBm at 40 GHz typical
  • Bias 6 to 7 V @ 500 mA
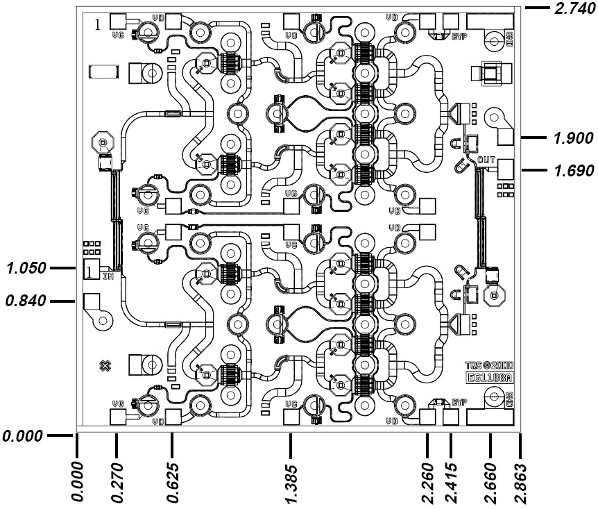
  • Chip dimensions: 2.863 x 2.740 x 0.1016 mm
应用领域 APPLICATION
  • Point-to-Multipoint Radio
  • Point-to-Point Radio
订购信息 Ordering Information
  • TGA1171-SCC
技术指标
频率(GHz) 功率(dBm) 增益(dB) NF/PAE +V IQ(mA)
36-40 30 14 - 6-7 500
机械特性Mechanical Characteristics
TGA1171-SCC 机械特性
应用技术支持与电子电路设计开发资源下载 版本信息 大小
TGA1171-SCC:S 参数    
TGA1171-SCC 数据资料DataSheet下载:PDF Rev.V2 2 页