TGA2503-SM 32 dBm Ku 波段放大器

The TriQuint TGA2503-SM is a Ku band packaged power amplifier. The TGA2503-SM operates from 12.5 - 16 GHz and is designed using TriQuint's proven standard 0.5 um power pHEMT production process. The TGA2503-SM typically provides 32 dBm of saturated output power with small signal gain of 32 dB. The TGA2503-SM is ideally suited for the VSAT ground terminal market and point-to-point radio. Evaluation Boards are available upon request. This part is lead-free and RoHS compliant

技术特性
  • Typical frequency range: 12.5 to 16 GHz
  • 32 dBm nominal Psat
  • 32 dB nominal gain
  • 37 dBm Output TOI @ Pin = -20dBm
  • 8 dB typical return loss
  • Bias conditions: Vd = 6V, Idq = 600 mA (Id = 1200 mA under RF drive)
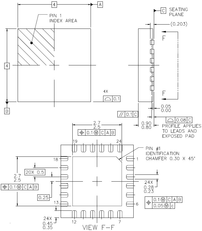
  • Package dimensions: 4.0 x 4.0 x 0.9 mm
TGA2503-SM 产品实物图

TGA2503-SM 产品实物图

技术指标
频率(GHz) 功率(dBm) 增益(dB) NF/PAE +V IQ(mA)
12.5-16 32 32 - 6 600
订购信息 Ordering Information
  • TGA2503-SM
应用领域 APPLICATION
  • Ku Band VSAT
  • Point-to-Point Radio
机械图样Mechanical Drawing
TGA2503-SM 机械图样
应用技术支持与电子电路设计开发资源下载 版本信息 大小
TGA2503-SM:S 参数    
TGA2503-SM材料清单    
TGA2503-SM布局文件    
TGA2503-SM 数据资料DataSheet下载:PDF Rev.V2 2 页