技术特性
- 11 to 17 GHz bandwidth
- 25 dB nominal gain
- 17 dBm nominal P1dB
- Bias: 5 to 7 V, 75 mA self-bias
- PHEMT technology
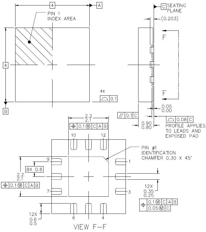
- Package dimensions: 4.0 x 4.0 x 0.9 mm (0.157 x 0.157 x 0.035 in)
订购信息 Ordering Information
TGA2507-SM 产品实物图

|
技术指标
| 频率(GHz) |
功率(dBm) |
增益(dB) |
NF/PAE |
+V |
IQ(mA) |
| 11-17 |
17 |
25 |
- |
6 |
75 |
应用领域 APPLICATION
- Ku Band Space
- Military Ku Band
- Point-to-Point Radio
- VSAT
机械图样Mechanical Drawing
 |