技术特性
- Typical frequency range: 12 to 19 GHz
- 25 dB nominal gain
- 29 dBm nominal P1dB
- Bias conditions: 7 V, 433 mA
- pHEMT technology
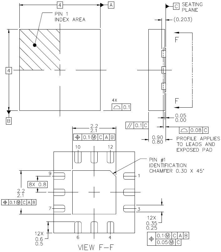
- Surface mount package
- Package dimensions: 4.0 x 4.0 x 0.9 mm
应用领域 APPLICATION
- Ku Band Space
- Military Ku Band
- Point-to-Point Radio
- VSAT Ground Terminals
|
技术指标
| 频率(GHz) |
功率(dBm) |
增益(dB) |
NF/PAE |
+V |
IQ(mA) |
| 12-19 |
29 |
25 |
- |
7 |
433 |
订购信息 Ordering Information
机械图样Mechanical Drawing
 |