TGA2512-1-SM 4-14 GHz 平衡式低噪声放大器

The TriQuint TGA2512-SM is a packaged X band balanced low noise amplifier (LNA) with AGC amplifier for electronic warfare (EW), electronic counter measures (ECM) and radar receiver or driver amplifier applications. The TGA2512-SM provides excellent noise performance with typical midband noise figure of 2.3dB, and high gain, 25dB from 4 - 14 GHz. The TGA2512-SM is designed for maximum ease of use. TGA2512-SM can handle up to 21 dBm input power reliably, while the build-in gain control provides 15 dB of typical gain control range. The part can be used in self-biased mode, with a single +5 V supply connection, or in gate biased mode, allowing the user to control the current for a particular application. In self-biased mode, the TGA2512-SM achieves 6 dBm typical P1dB, while in gate-biased mode the typical P1dB is over 13 dBm. The part is lead-free and RoHS compliant. Evaluation boards are available.

技术特性
  • Typical frequency range: 4 to 14 GHz
  • 2.3 dB nominal noise figure
  • 25 dB nominal gain
  • 15 dB AGC range
  • 13 dBm nominal P1dB
  • 24 dBm nominal OIP3
  • Bias: 5 V, 160 mA gate bias
  • 5 V, 90 mA self-bias
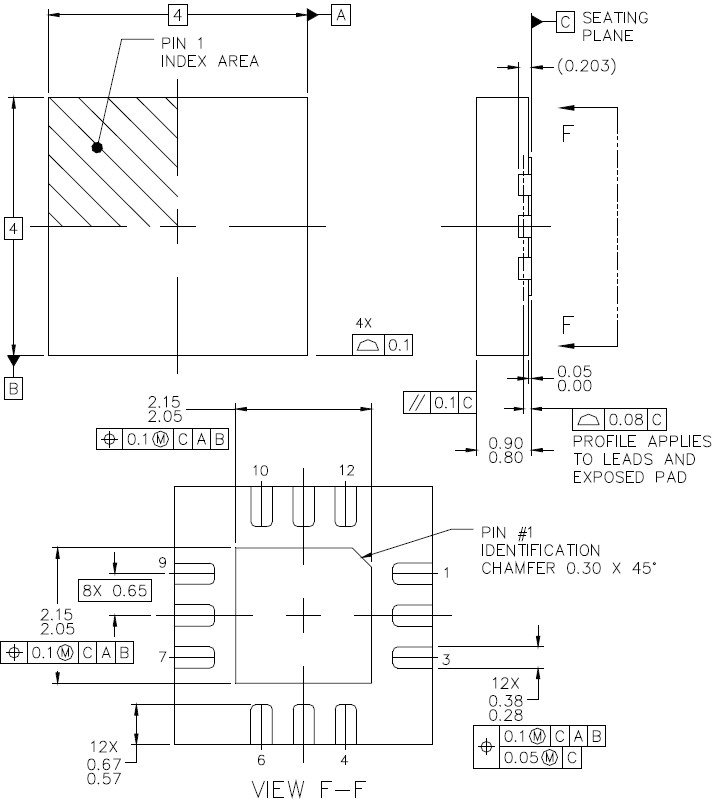
  • Package dimensions: 4.0 x 4.0 x 0.9 mm
TGA2512-1-SM 产品实物图

TGA2512-1-SM 产品实物图

技术指标
频率(GHz) 功率(dBm) 增益(dB) NF/PAE +V IQ(mA)
4-14 12 25 2.3 5 160
订购信息 Ordering Information
  • TGA2512-1-SM
机械图样Mechanical Drawing
TGA2512-1-SM 机械图样
应用技术支持与电子电路设计开发资源下载 版本信息 大小
TGA2512-1-SM:S-参数    
TGA2512-1-SM 数据资料DataSheet下载:pdf Rev.V2 2 页