TGA2513-SM 宽带低噪声放大器

The TriQuint TGA2513-SM is a packaged low noise amplifier (LNA) / gain block. The LNA operates from 2 - 20 GHz and is designed using TriQuint's proven standard 0.15 um gate pHEMT production process. The TGA2513-SM provides a nominal 16 dBm of output power at 1 dB gain compression with a small signal gain of 17 dB. Typical noise figure is less than 3 dB from 2 - 15 GHz. The TGA2513-SM is suitable for a variety of wideband electronic warfare systems such as radar warning receivers, electronic counter measures, decoys, jammers and phased array systems. The part is lead-free and RoHS compliant. Evaluation boards are available upon request.

技术特性
  • Frequency range: 2 to 20 GHz
  • 17 dB nominal gain
  • 16 dBm nominal P1dB
  • 2.5 dB midband noise figure
  • Bias conditions: Vd=5V, Idq=75 mA, Vg2=2V
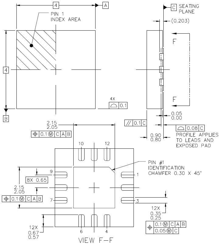
  • Package dimensions: 4.0 x 4.0 x 0.9 mm
订购信息 Ordering Information
  • TGA2513-SM
TGA2513-SM 产品实物图

TGA2513-SM 产品实物图

技术指标
频率(GHz) 功率(dBm) 增益(dB) NF/PAE +V IQ(mA)
2-20 16 17 2.5 5 75
应用领域 APPLICATION
  • IF and LO Buffers
  • Wideband Gain Blocks / Low Noise Amplifiers (LNAs)
  • X and Ku Band Point-to-Point Radio
机械图样Mechanical Drawing
TGA2513-SM 机械图样
应用技术支持与电子电路设计开发资源下载 版本信息 大小
TGA2513-SM:S 参数    
TGA2513-SM材料清单    
TGA2513-SM布局文件    
TGA2513-SM 数据资料DataSheet下载:PDF Rev.V2 2 页