TGA2521-SM 17-24 GHz 线性驱动放大器

The TriQuint TGA2521-SM is a three stage high power amplifier MMIC using TriQuint's proven 0.25 um power pHEMT process. The TGA2521-SM is designed to support a variety of millimeter wave applications including point-to-point digital radio and other K band linear gain applications. The TGA2521-SM provides 23.5 dBm nominal output power at 1 dB compression across 17 - 24 GHz. Typical small signal gain is 20 dB at 17 GHz and 20 dB at 23 GHz. The TGA2521-SM requires minimum off-chip components. Each device is DC and RF tested for key parameters. The device is available in a 4 x 4 mm plastic QFN package that is lead-free and RoHS compliant.

技术特性
  • Frequency range: 17 to 24 GHz
  • 25.5 dBm nominal Psat
  • 23.5 dBm nominal P1dB
  • Gain: 20 dB
  • OTOI: 33 dBm typical
  • Bias: Vd = 5 V, Idq = 320 mA, Vg = -0.5 V ypical
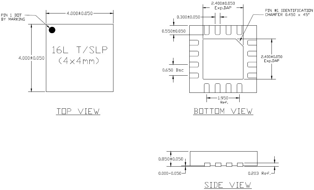
  • Package dimensions: 4 x 4 x 0.85 mm
订购信息 Ordering Information
  • TGA2521-SM
TGA2521-SM 产品实物图

TGA2521-SM 产品实物图

技术指标
频率(GHz) 功率(dBm) 增益(dB) NF/PAE +V IQ(mA)
17-24 25 20 5 5 320
应用领域 APPLICATION
  • Point-to-Multipoint Radio
  • Point-to-Point Radio
机械图样Mechanical Drawing
TGA2521-SM 机械图样
应用技术支持与电子电路设计开发资源下载 版本信息 大小
TGA2521-SM:S 参数    
TGA2521-SM材料清单    
TGA2521-SM布局文件    
TGA2521-SM 数据资料DataSheet下载:PDF Rev.V2 2 页