TGA2522-SM 17-24 GHz 功率放大器

The TriQuint TGA2522-SM is a three stage high power amplifier MMIC using TriQuint's proven 0.25 um power pHEMT process. The TGA2522-SM is designed to support a variety of millimeter wave applications including point-to-point digital radio and other K band linear gain applications. The TGA2522-SM provides 26 dBm nominal output power at 1 dB compression across 17 - 24 GHz. Typical small signal gain is 17 dB at 17 GHz and 18 dB at 24 GHz. The TGA2522-SM requires minimum off-chip components. Each device is DC and RF tested for key parameters. The device is available in a 4 x 4 mm plastic QFN package that is lead-free and RoHS compliant. Evaluation boards are available on request.

技术特性
  • Frequency range: 17 to 24 GHz
  • 28 dBm Output Psat
  • 26 dBm P1dB typical
  • 35 dBm Output TOI
  • 17 dB typical gain
  • Integrated power detection with 30 dB dynamic range
  • High ESD tolerance
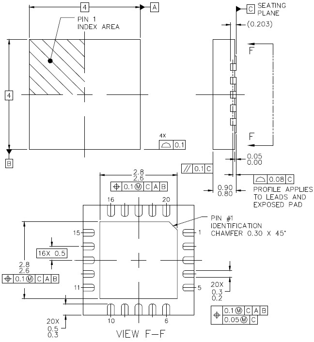
  • Dimensions: 4.0 x 4.0 x 0.85 mm
  • Bias conditions: Vd = 5 V, Id = 712 mA, Vg = -0.5 V, typical
TGA2522-SM 产品实物图

TGA2522-SM 产品实物图

技术指标
频率(GHz) 功率(dBm) 增益(dB) NF/PAE +V IQ(mA)
17-24 28 17 - 5 712
订购信息 Ordering Information
  • TGA2522-SM
应用领域 APPLICATION
  • Point-to-Multipoint Radio
  • Point-to-Point Radio
机械图样Mechanical Drawing
TGA2522-SM 机械图样
应用技术支持与电子电路设计开发资源下载 版本信息 大小
TGA2522-SM:S 参数    
TGA2522-SM材料清单    
TGA2522-SM布局文件    
TGA2522-SM 数据资料DataSheet下载:PDF Rev.V2 2 页