TGA2527-SM Ku 波段功率放大器
The TriQuint TGA2527-SM is a Ku band packaged power amplifier. The TGA2527-SM operates from 12.5 to 15.5 GHz and is designed using TriQuint's power pHEMT production process. The TGA2527-SM typically provides 41 dBm of TOI at 20 dBm Pout/Tone, 30 dBm of output power at 1dB gain compression, and the small signal gain is 25 dB. The TGA2527-SM is available in a low-cost, surface mount 24 lead 5x5 QFN package and is ideally suited for point-to-point radio, and Ku band VSAT ground terminal. Lead-free and RoHS compliant. Evaluation boards are available upon request.
技术特性
- Frequency range: 12.5 - 15.5 GHz
- TOI: 41 dBm
- Power: 31.5 dBm Psat, 30 dBm P1dB
- Gain: 25 dB
- Return loss: 10 dB
- NF: 7.5 dB
- Integrated power detector
- Bias: Vd = 6 V, Id = 650 mA, Vg = -0.55 V typical
- Package dimensions: 5.0 x 5.0 x 0.85 mm
技术指标
| 频率(GHz) |
功率(dBm) |
增益(dB) |
NF/PAE |
+V |
IQ(mA) |
| 12.5 - 15.5 |
31.5 |
25 |
- |
6 |
650 |
TGA2527-SM 产品实物图

|
应用领域 APPLICATION
- Point-to-Point Radio
- Ku Band VSAT
订购信息 Ordering Information
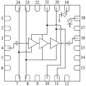
功能框图 Functional Block Diagram

|