TGA2533-SM Ku 波段功率放大器
The TriQuint TGA2533-SM is a Ku Band packaged power amplifier. The TGA2533-SM operates from 12.5 to 15.5 GHz and is designed using TriQuint’s power pHEMT production process. The TGA2533-SM typically provides 43dBm of TOI at 20dBm Pout/Tone, 33 dBm of output power at 1dB gain compression, and the small signal gain is 27 dB. The TGA2533-SM is available in a low-cost, surface mount 24 lead 5x5 QFN package and is ideally suited for Point-to-Point Radio, and Ku-Band VSAT Ground Terminal. Lead-free and RoHS compliant. Evaluation Boards are available upon request.
技术指标
| 频率(GHz) |
功率(dBm) |
增益(dB) |
NF/PAE |
+V |
IQ(mA) |
| 12.5 - 15.5 |
34.5 |
27 |
- |
6 |
1300 |
订购信息 Ordering Information
TGA2533-SM 产品实物图
 |
应用领域 APPLICATION
- Ku Band VSAT
- Point-to-Point Radio
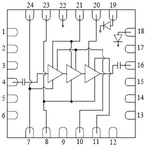
功能框图 Functional Block Diagram

|