TGA2533 Ku 波段功率放大器
The TriQuint TGA2533 is a Ku band power amplifier. The TGA2533 operates from 12.7 to 15.4 GHz and is designed using TriQuint's power pHEMT production process. The TGA2533 typically provides 43 dBm of TOI at 20 dBm Pout/Tone, 34 dBm of output power at 1 dB gain compression and small signal gain of 28 dB. The TGA2533 is ideally suited for point-to-point radio and Ku band VSAT ground terminals. The part is lead-free and RoHS compliant.
技术特性
- Frequency range: 12.7 to 15.4 GHz
- TOI: 43 dBm
- Power: 35 dBm Psat, 34 dBm P1dB
- Gain: 28 dB
- Return loss: 15 dB
- NF: 6 dB
- Integrated power detector
- Bias: Vd = 6 V, Id = 1.3 A, Vg = -0.55 V typical
- Dimensions: 3.2 x 3.0 x 0.1 mm
技术指标
| 频率(GHz) |
功率(dBm) |
增益(dB) |
NF/PAE |
+V |
IQ(mA) |
| 12.7 - 15.4 |
35 |
28 |
6 |
6 |
1300 |
|
应用领域 APPLICATION
- Ku Band VSAT
- Point-to-Point Radio
订购信息 Ordering Information
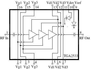
功能框图 Functional Block Diagram

|