TGA2535-SM X-波段功率放大器

The TriQuint TGA2535-SM is an X band packaged power amplifier. The TGA2535-SM operates from 10 to 12 GHz and is designed using TriQuint's power pHEMT production process. The TGA2535-SM typically provides 43 dBm of TOI at 20 dBm Pout/Tone, 33 dBm of output power at 1dB gain compression and a small signal gain of 25 dB. The TGA2535-SM is available in a low-cost, surface mount 24 lead 5 x 5 QFN package and is ideally suited for point-to-point radio and X band communications. The part is lead-free and RoHS compliant. Evaluation boards are available upon request.

技术特性
  • Frequency range: 10 to 12 GHz
  • TOI: 43 dBm
  • Power: 34.5 dBm Psat, 33 dBm P1dB
  • Gain: 25 dB
  • Return loss: 15 dB
  • Integrated power detector
  • Bias: Vd = 6 V, Id = 1.3 A, Vg = -0.55 V typical
  • Package dimensions: 5.0 x 5.0 x 0.85 mm
TGA2535-SM 产品实物图

TGA2535-SM 产品实物图

 

应用领域 APPLICATION
  • Point-to-Point Radio
  • X Band Communications
  • Radar
订购信息 Ordering Information
  • TGA2535-SM
技术指标
频率(GHz) 功率(dBm) 增益(dB) NF/PAE +V IQ(mA)
10 – 12 34.5 25 30% 6 1300
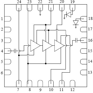
功能框图 Functional Block Diagram

TGA2535-SM 功能框图

应用技术支持与电子电路设计开发资源下载 版本信息 大小
TGA2535-SM:S 参数    
TGA2535-SM材料清单    
TGA2535-SM布局文件    
TGA2535-SM 数据资料DataSheet下载:PDF Rev.V2 2 页