TGA2803-SM CATV TIA/增益模块

The TriQuint TGA2803-SM is an ultra-linear, packaged transimpedance amplifier (TIA) / gain block which operates from 40 MHz to 1000 MHz. The TGA2803-SM typically provides flat gain along with ultra-low distortion. It also provides high output power with low DC power consumption. This amplifier is ideally suited for use in CATV distribution systems or other applications requiring extremely low noise and distortion. The part is lead-free and RoHS compliant. Evaluation boards are available upon request.

技术特性
  • Frequency range: 40 MHz to 1 GHz
  • 20 dB flat gain
  • 800 Ohm transimpedance *
  • < 5pA/Hz Equivalent Input Noise current *
  • 1.5 dB 75 Ohm noise figure
  • Ultra-low distortion (45dBm IP3 typ.)
  • Low DC power consumption
  • Single supply bias (+8V)
  • Proven GaAs technology
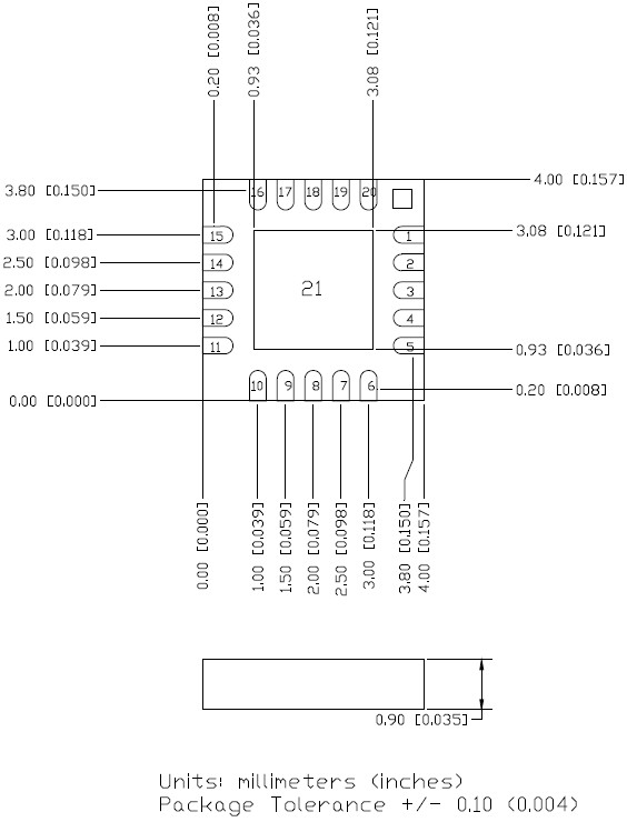
  • Package dimensions: 4.0 x 4.0 x 0.9 mm
  • * Includes 1:1 balun, No photodiode or auto-transformer
TGA2803-SM 产品实物图

TGA2803-SM 产品实物图

技术指标
频率(GHz) 功率(dBm) 增益(dB) NF/PAE +V IQ(mA)
0.04-1 27 20 1.7 8 350
应用领域 APPLICATION
  • CATV Line Amplifiers
  • Head End Equipment
  • HFC Nodes
订购信息 Ordering Information
  • TGA2803-SM
机械图样Mechanical Drawing
TGA2803-SM 机械图样
应用技术支持与电子电路设计开发资源下载 版本信息 大小
TGA2803-SM:S 参数    
TGA2803-SM材料清单    
TGA2803-SM布局文件    
TGA2803-SM 数据资料DataSheet下载:PDF Rev.V2 2 页