技术特性
- 34 dBm midband Psat
- 26 dB nominal gain
- 8 dB typical return loss
- 13 to 17 GHz frequency range
- Directional power detector with reference
- 0.25 um pHEMT technology
- Bias conditions: 7.5 V, 650 mA
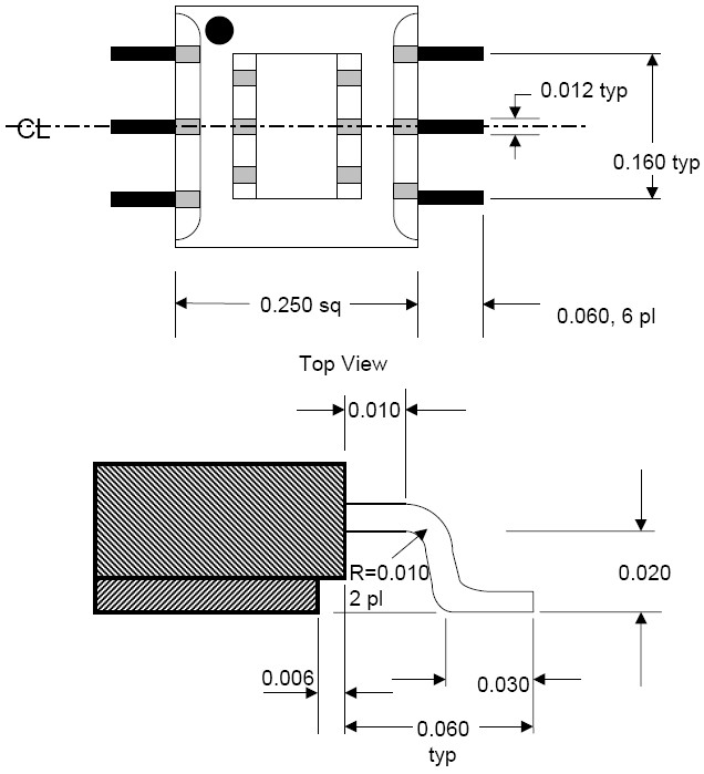
- Package dimensions: 9.4 x 6.4 x 1.8 mm (370 x 250 x 71 mils)
- Lead-free and RoHS compliant
TGA2902-1-SCC-SG 产品实物图

|
技术指标
| 频率(GHz) |
功率(dBm) |
增益(dB) |
NF/PAE |
+V |
IQ(mA) |
| 13-17 |
34 |
26 |
- |
7.5 |
650 |
应用领域 APPLICATION
- Point-to-Point Radio
- VSAT
订购信息 Ordering Information
| PART NUMBER |
AMPLIFIER APPLICATION |
| TGA2902-1-SCC-SG |
Wideband |
| TGA2902-2-SCC-SG |
VSAT Band |
机械图样Mechanical Drawing
 |