技术特性
- Typical frequency range: 28 to 36 GHz
- 2.3 dB nominal noise figure
- 22 dB nominal gain
- 12 dBm nominal P1dB
- Bias 3.0 V, 60 mA
- 0.15 um 3MI pHEMT technology
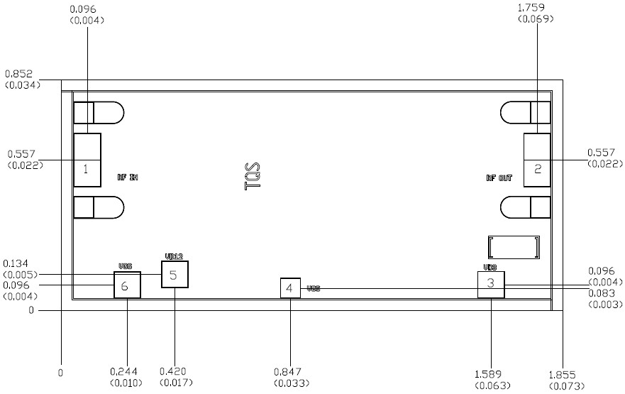
- Chip dimensions: 1.86 x 0.85 x 0.1 mm (0.073 x 0.033 x 0.004 in)
应用领域 APPLICATION
- Ka Band VSAT
- Point-to-Multipoint Radio
- Point-to-Point Radio
|
技术指标
| 频率(GHz) |
功率(dBm) |
增益(dB) |
NF/PAE |
+V |
IQ(mA) |
| 28-36 |
12 |
22 |
2.3 |
3 |
60 |
订购信息 Ordering Information
机械图样Mechanical Drawing
 |