TGA4532 K 波段功率放大器
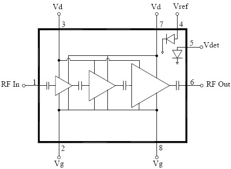
The TriQuint TGA4532 is a K band power amplifier. The TGA4532 operates from 17.5 to 20 GHz and is designed using TriQuint's power pHEMT production process. The TGA4532 typically provides 31.5 dBm of output power at 1dB gain compression with small signal gain of 23 dB. Third Order Intercept is 43 dBm at 22 dBm SCL. The TGA4532 is ideally suited for point-to-point radio and K band communications. The part is lead-free and RoHS compliant.
技术特性
- Frequency range: 17.5 to 20 GHz
- Power: 32.5 dBm Psat, 31.5 dBm P1dB
- Gain: 23 dB
- TOI: 43 dBm @ 22 dBm SCL
- Return loss: 18 dB
- NF: 6 dB
- Integrated power detector
- Bias: Vd = 6 V, Id = 900 mA, Vg = -0.7 V typical
- Dimensions: 2.4 x 1.9 x 0.1 mm
应用领域 APPLICATION
- Communications Systems
- Point-to-Point Radio
订购信息 Ordering Information
|
技术指标
| 频率(GHz) |
功率(dBm) |
增益(dB) |
NF/PAE |
+V |
IQ(mA) |
| 17.5 - 20 |
32.5 |
23 |
6 |
6 |
900 |
功能框图 Functional Block Diagram

|